chevron_left
Menu
Turck
search
Loading
add_shopping_cart
chevron_left
Menu
Home
Products
person
Login
add_shopping_cart
SSA-EB1PLYR-12ED1 | TURCK - Your Global Automation Partner
arrow_back_ios
arrow_forward_ios
Emergency Shutdown
SSA-EB1PLYR-12ED1
Order ID no. 3086415
home
Home
Loading...
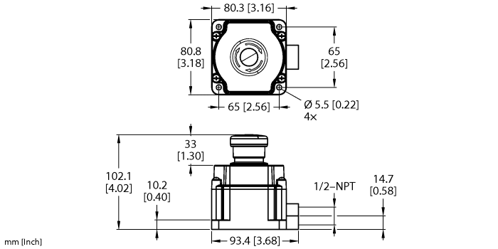
Technical Data
Protection class
IP65
Switching element function
2 x NC contact
Output function
Potential-free
Design
Rectangular
Electrical connection
Terminal chamber
Housing material
Plastic
Housing quality
PC
Ambient temperature min. (°C)
-25
Ambient temperature max. (°C)
55
Function
E-stop button, Iit
Operating voltage
AC/DC
Light type
Red
Cascadable
Yes
Key Features
Light type
Red
Protection class
IP65
Switching element function
2 x NC contact
In Stock
Price Group
F3
List Price
€260.70
home
Turck-Shop
Machine Safety
Emergency Stop Controls
SSA-EB1PLYR-12ED1
Item Total
€260.70
Quantity
−
+
add_shopping_cart
Add to Cart
Contact Support