chevron_left
Menu
Turck
search
Bezig met laden
add_shopping_cart
Home
Producten
person
Aanmelden
PFS4F-0.2 | TURCK - Your Global Automation Partner
arrow_back_ios
arrow_forward_ios
PFS4F-0.2
Bestel-ID 6934790
home
Home
Loading...
Technische gegevens
Toepassing
Signaal
Connector A
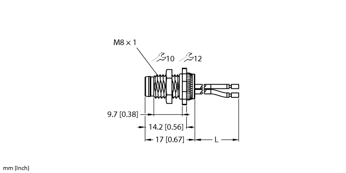
Connector, M8 × 1, Recht
Aantal polen
4
Materiaal flensbehuizing A
messing
Schroefdraad
M8 × 1
Stroombelastbaarheid (A)
4
Certificaten
CE
Aantal aders
4
Eigenschappen
Connector A
Connector, M8 × 1, Recht
Aantal polen
4
Materiaal flensbehuizing A
messing
Schroefdraad
M8 × 1
Op voorraad
Prijsgroep
K1
Lijstprijs
€ 13,52
home
Turck-Shop
Aansluittechniek
Flens
PFS4F-0.2
Artikel totaal
€ 13,52
Aantal
−
+
add_shopping_cart
In winkelwagen
Contacteer Support