- Beschermingsgraad
- IP67, IP69K
- Schakelelementfunctie
- N.O. / N.C.
- Uitgangsfunctie
- PNP
- Certificaten
- CE, EHEDG
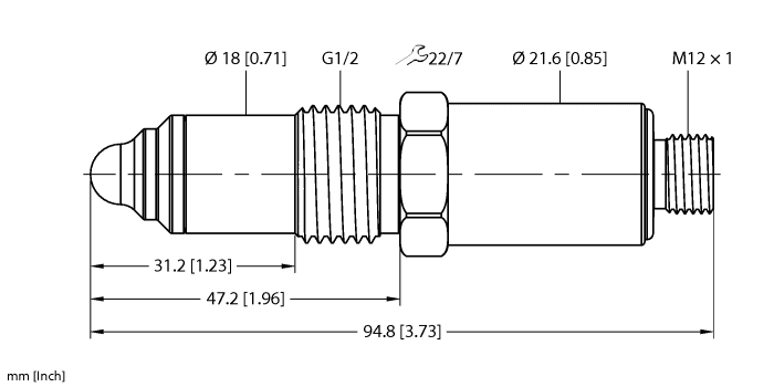
- Bouwvorm
- schroefdraad
- Procesaansluiting
- G 1/2” buitendraad hygiënisch
- Medium
- vloeistoffen, Stortgoed
- Detectietype
- in contact met het medium
- Communicatieprotocol
- IO-Link
- Elektrische aansluiting
- Connector
- Connectortype
- M12 × 1
- Materiaal behuizing
- roestvast staal
- Uitvoering behuizing
- 1.4404 (AISI 316L)
- Mediumtemperatuur min. (°C)
- 0
- Mediumtemperatuur max. (°C)
- 100
- Omgevingstemperatuur min. (°C)
- -10
- Omgevingstemperatuur max. (°C)
- 70
- Meetprincipe
- Capacitief
- Inbouwvoorwaarden
- Onderdompelingssensor
- Bedrijfsspanning
- DC
- Elektrische uitgang
- IO-Link, 2× schakeluitgang, 1× schakeluitgang, Schakeluitgang
- Bouwgrootte
- G 1/2″