chevron_left
Menu
Turck
search
Bezig met laden
add_shopping_cart
chevron_left
Menu
Home
Producten
person
Aanmelden
add_shopping_cart
BC5-Q08-AP6X2/S250 | TURCK - Your Global Automation Partner
arrow_back_ios
arrow_forward_ios
Capacitieve sensor
BC5-Q08-AP6X2/S250
Bestel-ID 26200
home
Home
Loading...
Technische gegevens
Beschermingsgraad
IP68
Schakelelementfunctie
N.O.-contact
Uitgangsfunctie
PNP
Kabellengte (m)
2
Certificaten
UL
Bouwvorm
Rechthoekig
Elektrische aansluiting
Kabel
Materiaal behuizing
metaal
Uitvoering behuizing
Zamak
Omgevingstemperatuur min. (°C)
-25
Omgevingstemperatuur max. (°C)
70
Meetprincipe
Capacitief
Inbouwvoorwaarden
Bondig
Bedrijfsspanning
DC
Nominale schakelafstand (mm)
5
Bouwgrootte
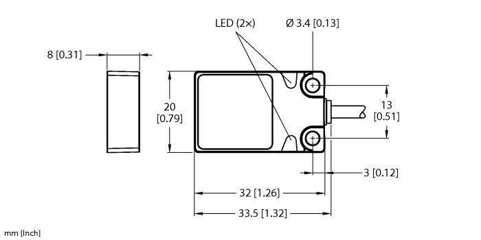
32 x 20 x 8 mm
Eigenschappen
Elektrische aansluiting
Kabel
Inbouwvoorwaarden
Bondig
Uitgangsfunctie
PNP
Nominale schakelafstand (mm)
5
Op voorraad
Prijsgroep
E1
Lijstprijs
€ 114,95
home
Turck-Shop
Sensortechniek
Capacitieve sensoren
BC5-Q08-AP6X2/S250
Artikel totaal
€ 114,95
Aantal
−
+
add_shopping_cart
In winkelwagen
Contacteer Support